一、产品简介
旋翼多流干式水表主要用于家庭或者一个居民单元测量流经自来水管道饮用冷(热)水的用量,适用于小型工业企业用水和家庭用水计量。它的生产标准为ISO 4064(等同于GB/T 778-2007)。
LXSG-15E~50E(冷水)铜壳及塑壳

LXSGR-15E~50E(热水)

8位字轮和1位指针(DN15)

经济型铜壳和塑壳(DN15)

意大利式样

不锈钢表壳

二、工作原理
水流流过旋翼多流干式水表时推动叶轮旋转,叶轮转速与水的流量成正比,叶轮的旋转圈数与通过水表的水的总量成正比,由指示装置累积叶轮的旋转总圈数而得到流过水表的水的总量,并以立方米(m3)为单位显示在水表标度盘上。
因其计数机构与被测水隔绝,故不受水中悬浮杂质的影响,确保计数机构的正常工作和读数的清晰,同时也不会像湿式水表那样,因表内外温差而造成玻璃下方起雾或凝结水珠等影响水表抄读的现象。
本类水表的误差调节装置一般是外调方式,其外形尺寸和内部结构与同规格的湿式水表基本相同,许多零部件可互相通用。
三、产品特点
1. 多流束;
2. 水平安装;
3. 磁性传动,可防止外部磁场干扰;
4. 干式计数器采用真空密封,防冷凝雾化,可长期保持读数清晰;
5. 采用优质材料,性能稳定可靠;
6. 通用性强,更换维修方便;
7. 计量精度高,该表各项技术指标符合ISO4064的B级或C级标准或R80、R100、R125、R160标准;
8. 表壳有塑料、铁、铜和不锈钢等可供选择,其中铜壳可选本色或喷塑;
9. 可适用于≤50℃冷水或≤90℃热水;
10. 水压≤1MPa或1.6MPa(即10bar或16bar);
11. 可带止回阀和进水口滤网;
12. 可根据用户要求增加远传脉冲输出功能;
13. 计数器可以是"5位字轮+4位指针"或"8位字轮+1位指针"。
四、流量技术参数
| 型号 | 公称口径 | 英寸 | 计量等级 | Qmax | Qn | Qt | Qmin | 最小读数 | 最大读数 |
| 大流 | 常用流量 | 分界 | 下流 | ||||||
| DN(mm) | m3/h | L/h | m3 | ||||||
| LXSG-15E | 15 | 1/2" | B | 3 | 1.5 | 120 | 30 | 0.00005 | 99999 |
| C | 22.5 | 15 | |||||||
| LXSG-20E | 20 | 3/4" | B | 5 | 2.5 | 200 | 50 | 0.00005 | 99999 |
| C | 37.5 | 25 | |||||||
| LXSG-25E | 25 | 1" | B | 7 | 3.5 | 280 | 70 | 0.00005 | 99999 |
| C | 52.5 | 35 | |||||||
| LXSG-32E | 32 | 11/4" | B | 12 | 6 | 480 | 120 | 0.00005 | 99999 |
| C | 90 | 60 | |||||||
| LXSG-40E | 40 | 11/2" | B | 20 | 10 | 800 | 200 | 0.00005 | 99999 |
| C | 150 | 100 | |||||||
| LXSG-50E | 50 | 2" | B | 30 | 15 | 3000 | 450 | 0.00005 | 99999 |
| C | 225 | 90 | |||||||
| LXSG-65E | 65 | 2 1/2" | B | 50 | 25 | 5000 | 750 | 0.00005 | 99999 |
| C | 375 | 150 | |||||||
| 型号 | LXSG-15E | LXSG-20E | LXSG-25E | LXSG-32E | LXSG-40E | LXSG-50E | LXSG-65E | |
| 公称口径 | mm | 15 | 20 | 25 | 32 | 40 | 50 | 65 |
| 英寸 | 1/2" | 3/4" | 1" | 11/4" | 11/2" | 2" | 2 1/2" | |
| Q?(m3/h) | 3.125 | 5 | 7.875 | 12.5 | 20 | 31.25 | 50 | |
| Q?(m3/h) | 2.5 | 4 | 6.3 | 10 | 16 | 25 | 40 | |
| R80 | Q?(L/h) | 50 | 80 | 126 | 200 | 320 | 500 | 800 |
| Q?(L/h) | 31.25 | 50 | 78.75 | 125 | 200 | 312.5 | 500 | |
| R100 | Q?(L/h) | 40 | 64 | 100.8 | 160 | 256 | 400 | 640 |
| Q?(L/h) | 25 | 40 | 63 | 100 | 160 | 250 | 400 | |
| R125 | Q?(L/h) | 32 | 51.2 | 80.64 | 128 | 204.8 | 320 | 512 |
| Q?(L/h) | 20 | 32 | 50.4 | 80 | 128 | 200 | 320 | |
| R160 | Q?(L/h) | 25 | 40 | 63 | 100 | 160 | 250 | 400 |
| Q?(L/h) | 15.62 | 25 | 39.37 | 62.5 | 100 | 156.2 | 250 | |
| 最小读数(m3) | 0.00005 | 0.00005 | 0.00005 | 0.00005 | 0.00005 | 0.00005 | 0.00005 | |
| 最大读数(m3) | 99999 | 99999 | 99999 | 99999 | 99999 | 99999 | 99999 | |
| 最大承受压力(MAP) | 16 | 16 | 16 | 16 | 16 | 16 | 16 | |
| 压损(ΔP) | 63 | 63 | 63 | 63 | 63 | 63 | 63 | |
| 最高温度 | T50 | T50 | T50 | T50 | T50 | T50 | T50 | |
五、最大允许误差
?、?低区 (Q?≤Q<Q?) 最大允许误差为±5%
?、?高区 (Q?≤Q≤Q?) 最大允许误差为±2% (热水表±3%)

六、压力损失曲线

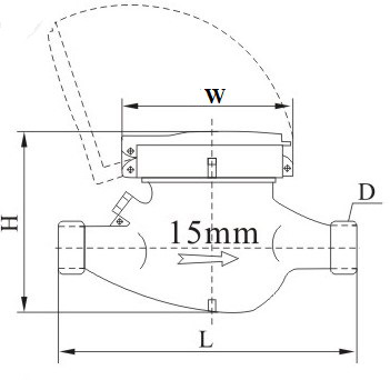
七、外形及规格尺寸
![]() | ![]() |
| 型号 | 公称口径 DN | 长 L | 宽 W | 高 H | 连接螺纹 |
| mm | mm | D | |||
| LXSG-15E | 15 | 165/190 | 98 | 104 | G?B |
| LXSG-20E | 20 | 190/195 | 98 | 106 | G1B |
| LXSG-25E | 25 | 260/225 | 103 | 115 | G1?B |
| LXSG-32E | 32 | 260/230 | 103 | 115 | G1?B |
| LXSG-40E | 40 | 300/245 | 124 | 153 | G2B |
| LXSG-50E | 50 | 300 | 124 | 153 | G2?B |
| 280 | 165 | 175 | 法兰连接 | ||
| LXSG-65E | 65 | 280 | 165 | 179 | |
八、安装、使用与维护
1. 选择水表口径应根据安装地点的管道直径及用水量大小来选择适宜口径的旋翼多流干式水表。
2. 安装位置要避免暴晒、冰冻和水淹,便于抄表和拆装的地方,在冰冻季节应做好防冻保护。
3. 装水表前,务必先将管道内的石子、泥沙、麻丝等杂物冲洗干净,以免造成水表故障。
4. 为了水表的计量准确,水流方向和表壳箭头方向必须一致,水表度盘应朝上,不能倾斜,水龙头应高于水表。
5. 水表不能直接与管道连接,安装时,水表前后端应装阀门,便于拆装,维修水表时应切断水源。
6. 冷水表如安装在锅炉或有热源进水管处,应防止回流烫坏水表。(应该安装热水表或水流出口处安装止回阀)
7. 不用水时,如水表有微小走动或倒转现象,是由于管路中水流压力不稳定或其它原因引起。可在水表进水口前端装止回阀,或在水表出水口后的管路中检查有无漏水现象。
8. 由于温差原因,水表壳外可能会出现湿漉或玻璃下出现雾气(哈气)现象,均为正常。若影响读数,可在表玻璃上浇低于25℃的温水,使雾气散开。
九、配件
随同每只旋翼多流干式水表附带说明书、合格证各1份,管接头、连接螺母和橡胶垫圈各2件。
十、售后服务
1.凡是使用我厂的水表一年内,安装合理且使用流量正常,确因产品本身质量引起的内部机件损坏造成故障(冻坏除外),在保证铅封完整有效的情况下,本厂负责修理、调换。
2.使用我厂产品自行维修的单位,如水厂、工矿等,我厂长期供应维修配件。