一、视频实拍
二、产品简介
本厂专业生产LXS-15E~50E(冷水)、LXSR-15E~50E(热水)系列旋翼多流湿式水表,本类水表的计数器浸入水中,表面的玻璃承受了水压,传感器与计数器的传动是齿轮联动的,水表读数的清晰程度主要受水质的影响,在室内中应优先考虑选用此类水表。
三、工作原理
旋翼多流湿式水表的原理是水由水表进水口进入表壳内,经过滤水网,由叶轮盒的进水孔进入其内,冲击叶轮,叶轮开始转动,水再由叶轮盒上部出水孔经表壳出水口流向管道内,叶轮下部由顶针支撑着。叶轮转动后,通过叶轮中心轴,使上部的中心齿轮也转动,带动叶轮盒内的传动齿轮,按转速比的规定进行转动,带动度盘上的指针,三角指针开始转动后以十进位的传递方式带动其它齿轮和上部指针,按照度盘上的分度值,从0开始按顺时针的方向进行转动,开始计量。
四、产品特点
1. 多流束;
2. 机械传动;
3. 湿式计数器,始动流量小,保持计数机构满灌;
4. 计数器型式有指针C型,字轮与指针组合显示的E型及液封式F型可??;
5. 水平安装;
6. 技术精度高,始动流量小;
7. 计量精度达到ISO4064 B级或者C级(R80/100/125/160)标准;
8. 高灵敏水表始动流量≤2L/h;
9. 能保持计数器机构满灌(充满水),防污性好,抄读方便,外形美观,安全卫生,使用寿命长;
10.可根据用户需求生产同型号高灵敏水表;
11. 铜壳可喷塑或者本色;另外还有塑料表壳,铁壳和不锈钢表壳可供选择;
12. 温度等级:冷≤T50/热T90;
13. 压力等级:MAP10/MAP16;
14. 压力损失等级:△P63;
15. 计数器可以8位字轮和1位指针或者5位字轮加上4位指针;
16. 可以根据用户要求可增加远传脉冲输出功能。
五、流量技术参数
| 型号 | 公称口径 | 英寸 | 计量等级 | Qmax | Qn | Qt | Qmin | 最小读数 | 最大读数 |
| 最大流量 | 常用流量 | 分界流量 | 最小流量 | ||||||
| DN(mm) | m3/h | L/h | m3 | ||||||
| LXS-15E | 15 | 1/2" | B | 3 | 1.5 | 120 | 30 | 0.00005 | 99999 |
| C | 22.5 | 15 | |||||||
| LXS-20E | 20 | 3/4" | B | 5 | 2.5 | 200 | 50 | 0.00005 | 99999 |
| C | 37.5 | 25 | |||||||
| LXS-25E | 25 | 1" | B | 7 | 3.5 | 280 | 70 | 0.00005 | 99999 |
| C | 52.5 | 35 | |||||||
| LXS-32E | 32 | 11/4" | B | 12 | 6 | 480 | 120 | 0.00005 | 99999 |
| C | 90 | 60 | |||||||
| LXS-40E | 40 | 11/2" | B | 20 | 10 | 800 | 200 | 0.00005 | 99999 |
| C | 150 | 100 | |||||||
| LXS-50E | 50 | 2" | B | 30 | 15 | 3000 | 450 | 0.00005 | 99999 |
| C | 225 | 90 | |||||||
| LXS-65E | 65 | 21/2" | B | 50 | 25 | 5000 | 750 | 0.00005 | 99999 |
| C | 375 | 150 | |||||||
| 型号 | LXS-15E | LXS-20E | LXS-25E | LXS-32E | LXS-40E | LXS-50E | LXS-65E | |
| 公称口径 | 毫米(mm) | 15 | 20 | 25 | 32 | 40 | 50 | 65 |
| 英寸 | 1/2" | 3/4" | 1" | 11/4" | 11/2" | 2" | 21/2" | |
| Q?(m3/h) | 3.125 | 5 | 7.875 | 12.5 | 20 | 31.25 | 50 | |
| Q?(m3/h) | 2.5 | 4 | 6.3 | 10 | 16 | 25 | 40 | |
| R80 | Q?(L/h) | 50 | 80 | 126 | 200 | 320 | 500 | 800 |
| Q?(L/h) | 31.25 | 50 | 78.75 | 125 | 200 | 312.5 | 500 | |
| R100 | Q?(L/h) | 40 | 64 | 100.8 | 160 | 256 | 400 | 640 |
| Q?(L/h) | 25 | 40 | 63 | 100 | 160 | 250 | 400 | |
| R125 | Q?(L/h) | 32 | 51.2 | 80.64 | 128 | 204.8 | 320 | 512 |
| Q?(L/h) | 20 | 32 | 50.4 | 80 | 128 | 200 | 320 | |
| R160 | Q?(L/h) | 25 | 40 | 63 | 100 | 160 | 250 | 400 |
| Q?(L/h) | 15.62 | 25 | 39.37 | 62.5 | 100 | 156.2 | 250 | |
| 最小读数(m3) | 0.00005 | 0.00005 | 0.00005 | 0.00005 | 0.00005 | 0.00005 | 0.00005 | |
| 最大读数(m3) | 99999 | 99999 | 99999 | 99999 | 99999 | 99999 | 99999 | |
| 最大承受压力(MAP) | 16 | 16 | 16 | 16 | 16 | 16 | 16 | |
| 压损(ΔP) | 63 | 63 | 63 | 63 | 63 | 63 | 63 | |
| 最高温度 | T50 | T50 | T50 | T50 | T50 | T50 | T50 | |
六、最大允许误差
?、?低区(Q?≤Q<Q?)最大允许误差为±5%
?、?高区(Q?≤Q≤Q?)最大允许误差为±2% (热水表±3%)

七、压力损失曲线

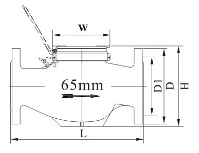
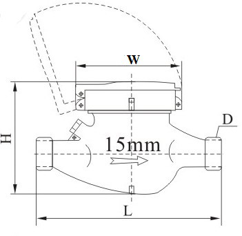
八、外形及规格尺寸
![]() | ![]() |
| 型号 | 公称口径 DN | 长 L | 宽 D | 高 H | 连接螺纹 |
| mm | D | ||||
| LXS-15E | 15 | 165/190 | 98 | 104 | G?B |
| LXS-20E | 20 | 190/195 | 98 | 106 | G1B |
| LXS-25E | 25 | 260/225 | 103 | 115 | G1?B |
| LXS-32E | 32 | 260/230 | 103 | 115 | G1?B |
| LXS-40E | 40 | 300/245 | 124 | 153 | G2B |
| LXS-50E | 50 | 300 | 124 | 153 | G2?B |
| 280 | 165 | 175 | 法兰连接 GB 4216.4 | ||
| LXS-65E | 65 | 280 | 165 | 179 | |
九、注意事项
由于旋翼多流湿式水表的全部部件浸在水中,因此在玻璃下有水或气泡是正常现象。使用中如发现表面污染影响读表,一般是因为管道陈旧、水质较差或位置在管路末端造成。最好每隔两年清洗一次,但要注意需要重新校验后才能继续使用。