上海1314后花园水摩,全国24小时空降平台网站 ,同城空降服务,全国空降上门900城市100块约3小时上门人到付款

宁波市江北水表厂欢迎您!

旋翼多流液封水表

  • 产品型号:LXS-15F~65F
  • 精度级别:B级或C级/R160
  • 品牌名称:甬诚/灵泉/JIANGBEI
  • 产品产地:浙江宁波
  • 生产厂家:宁波市江北水表厂
  • 询价热线:+86 133 3662 2678

产品详情

一、视频实拍

二、产品简介

  LXS-15F~65F系列旋翼多流液封水表,用于抄表的计数字轮或整个计数器全部用一定浓度的甘油等配制液体密封。本类水表的密封隔离计数器内的清晰度不受外部水质的影响,其余的结构性能与湿式水表相同。

  旋翼多流全液封水表
旋翼多流全液封水表


  旋翼多流半液封水表
旋翼多流半液封水表


三、产品特点

  1.水平安装;

  2.多流束;

  3.机械传动;

  4.计数器的数字轮用特种液体封装,可长期保持读数清晰;

  5.具有湿式水表始动流量小,干式水表读数清晰的优点,适用于水质较差的管道网络;

  6.采用优质材料,性能稳定可靠;

  7.计量精度可达ISO 4064 C级(R160);

  8.可根据用户需要生产同型号的高灵敏度水表;

  9.水表外壳有塑壳、铁壳、铜壳和不锈钢壳等可选,其中铜壳可选本色或喷塑;

  10.适用于≤50℃的冷水;

  11.水压≤1.6MPa (16bar)。

四、流量技术参数

ISO4064:2003(老标准)技术参数表
型号公称口径英寸计量等级QmaxQnQtQmin最小读数最大读数
最大流量常用流量分界流量最小流量
DN(mm)m3/hL/hm3
LXS-15F151/2"B31.5120300.0000599999
C22.515
LXS-20F203/4"B52.5200500.0000599999
C37.525
LXS-25F251"B73.5280700.0000599999
C52.535
LXS-32F3211/4"B1264801200.0000599999
C9060
LXS-40F4011/2"B20108002000.0000599999
C150100
LXS-50F502"B301530004500.0000599999
C22590
LXS-65F6521/2"B502550007500.0000599999
C375150
ISO4064:2005(新标准)技术参数表
型号LXS-15FLXS-20FLXS-25FLXS-32FLXS-4OFLXS-50FLXS-65F
公称口径毫米(mm)15202532405065
英寸1/2"3/4"1"11/4"11/2"2"21/2"
Q?(m3/h)3.12557.87512.52031.2550
Q?(m3/h)2.546.310162540
R80Q?(L/h)5080126200320500800
Q?(L/h)31.255078.75125200312.5500
R100Q?(L/h)4064100.8160256400640
Q?(L/h)254063100160250400
R125Q?(L/h)3251.280.64128204.8320512
Q?(L/h)203250.480128200320
R160Q?(L/h)254063100160250400
Q?(L/h)15.622539.3762.5100156.2250
最小读数(m3)0.000050.000050.000050.000050.000050.000050.00005
最大读数(m3)99999999999999999999999999999999999
最大承受压力(MAP)16161616161616
压损(ΔP)63636363636363
最高温度T50T50T50T50T50T50T50

五、最大允许误差

 ?、?低区 (Q?≤Q<Q?) 最大允许误差为±5%;

 ?、?高区 (Q?≤Q≤Q?) 最大允许误差为±2% (热水表±3%)。

旋翼多流液封水表流量误差曲线图
旋翼多流液封水表流量误差曲线图

六、压力损失曲线

旋翼多流液封水表压力损失曲线图
旋翼多流液封水表压力损失曲线图

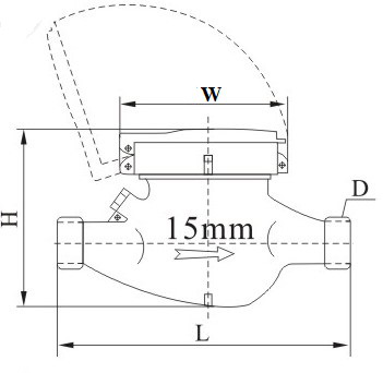
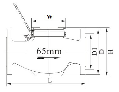
七、外形及规格尺寸

旋翼多流液封水表外形尺寸图及规格参数表
15mm旋翼多流液封水表外形尺寸图65mm旋翼多流液封水表外形尺寸图


型号公称口径 DN长 L宽 D高 H连接螺纹
mmD
LXS-15F15165/19098104G?B
LXS-20F20190/19598106G1B
LXS-25F25260/225103115G1?B
LXS-32F32260/230103115G1?B
LXS-40F40300/245124153G2B
LXS-50F50300124153G2?B
280165175法兰连接
GB 4216.4
LXS-65F65280165179