一、视频实拍
二、产品简介
LXSY-15W~50W、LXLCY-40W~600W系列NB-IoT无线远传水表是江北水表厂设计开发的基于NB-IoT窄带蜂窝技术进行无线通信的低功耗智能远程传输水表。该水表采用分体式设计,电子单元被安装在一个独立的全密封腔体内,保留了传统湿式水表的结构特点,确保了计量精度和灵敏度不受影响。作为自动抄表系统的一部分,这款机电一体化的电子远传水表采用了微功耗设计和编码校验技术,具备高灵敏度、强抗干扰能力和远距离传输的特点。
此类水表具有安全卫生和长寿命的优势。可配备阀门控制功能,拥有智能预付费水表的优点。同时,可以通过无磁技术实现脉冲信号的输出。配合智能抄表系统的软件,能够实现小区内水表数据的智能抄读,并与结算中心联网共享数据。
三、产品特点
1.采用旋翼式或螺翼可拆卸式结构设计,具备高精度计量性能,始动流量低,便于抄表操作,外观设计美观大方;
2.符合CJ/T 224-2012《电子远传水表》行业标准;
3.符合GB/T778-2018《饮用冷水水表和热水水表》国家标准;
4.符合JG/T162-2017《民用建筑远传抄表系统》行业标准;
5.满足电子产品在EMC(电磁兼容性)、ESD(静电放电)和EMI(电磁干扰)方面的要求;
6.无线??橛牖聿捎梅痔迨桨沧埃哂辛己玫幕セ恍?,当水表检定期限到达时,仅需更换基表部分即可;
7.电子单元安装在独立的全密封腔体内,防水等级达到IP68标准;
8.运用先进的数据编码和校验技术,提高了通讯的可靠性;
9. 水表可以直接与NB-IoT基站通信,无需配置额外的采集器或集中器等抄表设备;
10.与上级计算机系统集成,建立远程自动抄表管理系统,实现抄表和监控的自动化;
11.数据周期性上报:可根据用户的实际使用情况,通过NB-IoT平台网络设定小时、日、月的周期性数据上传,上传内容包括累计用水量、电池电量、水表状态及报告周期;
12.机械读数方便:保留原有的基表计数装置,安装NB无线??楹?,不会影响任何读数功能;
13.信号稳定:通过NB-IoT基站联网,并经由核心网络与水表建立连接,确保信号稳定可靠;
14.无需布线,安装施工非常便捷。
四、NB-IOT窄带蜂窝技术优势
1.功耗低;
2.深覆盖20dB+增益(与2G相比多穿透一堵墙);
3.低成本,多链接(表直接上报数据至基站,无需中间设备转换);
4.安全性(采用云平台管理保障客户数据的安全);
5.网络可靠性(采用专用网络保障网络持续稳定运营);
6.重用现有蜂窝网络(更快部署时间,更低成本);
7.全球统一标准&漫游。

五、技术参数
1.电子性能参数
| 项目 | 参数 |
| 频段 | 800MHz、900MHz |
| 通讯模式 | 双工 ,收发一体 |
| 输出功率 | <23dBm |
| 接收灵敏度 | -136dBm |
| 发射电流 | <250mA |
| 接收电流 | <80mA |
| 休眠电流 | ≤4uA |
| 可视距离 | >20Km |
| 通信协议 | CoAP协议 |
| 模块工作温度 | -20℃~+70℃ |
| 电池型号及容量 | ER26500;8500mAh |
| 电池使用年限 | 1天上传1次模式 :约6年 |
2.流量技术参数
| 型号 | 公称口径 | 量程比 | 过载流量 | 常用流量 | 分界流量 | 最小流量 | 最小读数 | 最大读数 |
| DN | Q?/Q? | Q? | Q? | Q? | Q? | |||
| mm | m3/h | m3 | ||||||
| LXSY-15W | 15 | R80 | 3.125 | 2.5 | 0.05 | 0.0313 | 0.00005 | 99999 |
| R100 | 0.04 | 0.025 | ||||||
| R125 | 0.032 | 0.02 | ||||||
| R160 | 0.025 | 0.0156 | ||||||
| LXSY-20W | 20 | R80 | 5 | 4 | 0.08 | 0.05 | 0.00005 | 99999 |
| R100 | 0.064 | 0.04 | ||||||
| R125 | 0.051 | 0.032 | ||||||
| R160 | 0.04 | 0.025 | ||||||
| LXSY-25W | 25 | R80 | 7.875 | 6.3 | 0.126 | 0.0788 | 0.00005 | 99999 |
| R100 | 0.101 | 0.063 | ||||||
| R125 | 0.081 | 0.0504 | ||||||
| R160 | 0.063 | 0.0394 | ||||||
| LXSY-32W | 32 | R80 | 12.5 | 10 | 0.2 | 0.125 | 0.00005 | 99999 |
| R100 | 0.16 | 0.1 | ||||||
| R125 | 0.128 | 0.08 | ||||||
| R160 | 0.1 | 0.0625 | ||||||
| LXSY-40W | 40 | R80 | 20 | 16 | 0.32 | 0.2 | 0.0005 | 99999 |
| R100 | 0.256 | 0.16 | ||||||
| R125 | 0.205 | 0.128 | ||||||
| R160 | 0.16 | 0.1 | ||||||
| LXSY-50W | 50 | R80 | 31.25 | 25 | 0.5 | 0.3125 | 0.0005 | 99999 |
| R100 | 0.4 | 0.25 | ||||||
| R125 | 0.32 | 0.2 | ||||||
| R160 | 0.25 | 0.1563 | ||||||
| 型号 | 公称口径 | 计量等级 | 过载流量 | 常用流量 | 分界流量 | 最小流量 | 最小读数 | 最大读数 |
| DN | Q? | Q? | Q? | Q? | ||||
| mm | m3/h | m3 | ||||||
| LXLCY-40W | 40 | B | 20 | 10 | 0.8 | 0.2 | 0.0002 | 999999 |
| LXLCY-50W | 50 | B | 30 | 15 | 3 | 0.45 | 0.0002 | 999999 |
| LXLCY-65W | 65 | B | 50 | 25 | 5 | 0.75 | 0.0002 | 999999 |
| LXLCY-80W | 80 | B | 80 | 40 | 8 | 1.2 | 0.002 | 999999 |
| LXLCY-100W | 100 | B | 120 | 60 | 12 | 1.8 | 0.002 | 999999 |
| LXLCY-125W | 125 | B | 200 | 100 | 20 | 3 | 0.002 | 999999 |
| LXLCY-150W | 150 | B | 300 | 150 | 30 | 4.5 | 0.002 | 999999 |
| LXLCY-200W | 200 | B | 500 | 250 | 50 | 7.5 | 0.002 | 999999 |
| LXLCY-250W | 250 | B | 800 | 400 | 80 | 12 | 0.002 | 999999 |
| LXLCY-300W | 300 | B | 1200 | 600 | 120 | 18 | 0.02 | 9999999 |
| LXLCY-350W | 350 | B | 1600 | 800 | 160 | 24 | 0.02 | 999999999 |
| LXLCY-400W | 400 | B | 2000 | 1000 | 200 | 30 | 0.02 | 999999999 |
| LXLCY-500W | 500 | B | 3000 | 1500 | 300 | 45 | 0.02 | 999999999 |
| LXLCY-600W | 600 | B | 6000 | 3000 | 600 | 90 | 0.02 | 999999999 |
▲ 过载流量(Q?)--要求水表在短时间内能符合最大允许误差要求,随后在额定工作条件下仍能保持计量特性的最大流量;
▲ 常用流量(Q?)--额定工作条件下的最大流量。在此流量下,水表应正常工作并符合最大允许误差要求;
▲ 分界流量(Q?)--出现在常用流量Q?和最小流量Q?之间、将流量范围划分成各有特定最大允许误差的“高区”和“低区”两个区的流量;
▲ 最小流量(Q?)--要求水表的示值符合最大允许误差的最低流量;
▲ 示值误差:在水温0.1℃至30℃范围内,水表的最大允许误差在高区(Q?≤Q≤Q?)为±2%,低区(Q?≤Q<Q?)为(±5%)。
3.工作环境: 水温0.1~+45℃,湿度0~95%RH;
4.工作压力:≤1.0 Mpa;
5.压力损失:在额定工作条件下的最大压力损失不超过0.063Mpa;
6.环境等级:B级(安装在室内的固定式水表);
7.电磁环境:E1级(住宅、商业、和轻工业);
8.外壳防护等级:IP68。
六、全自动组网拓扑图

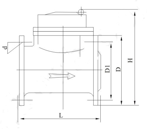
七、外形及规格尺寸

| 型号 | 公称口径 | 水平式 | 连接螺纹 | ||
| DN | 长L | 宽B | 高H | ||
| mm | mm | D | |||
| LXSY-15W | 15 | 165 | 90 | 150 | G?B |
| LXSY-20W | 20 | 195 | 90 | 152 | G1B |
| LXSY-25W | 25 | 225 | 104 | 175 | G1?B |
| LXSY-32W | 32 | 230 | 104 | 175 | G1?B |
| LXSY-40W | 40 | 245 | 125 | 210 | G2B |
| LXSY-50W | 50 | 280 | 125 | 230 | 法兰连接 |

| 型号 | 公称口径 DN | 长L | 宽B | 高H | 连接螺纹 | ||
| mm | mm | 法兰外径 D | 螺栓孔中心圆直径 D1 | 连接螺栓 | |||
| LXLCY-40W | 40 | 200 | 256 | 400 | 165 | 125 | 4xM16 |
| LXLCY-50W | 50 | 200 | 256 | 400 | 185 | 145 | 4xM16 |
| LXLCY-65W | 65 | 225 | 276 | 400 | 200 | 160 | 8xM16 |
| LXLCY-80W | 80 | 250 | 286 | 400 | 220 | 180 | 8xM16 |
| LXLCY-100W | 100 | 250 | 301 | 400 | 250 | 210 | 8xM16 |
| LXLCY-125W | 125 | 300 | 346 | 500 | 285 | 240 | 8xM20 |
| LXLCY-150W | 150 | 350 | 373 | 500 | 340 | 295 | 8xM20 |
| LXLCY-200W | 200 | 450 | 493 | 730 | 395 | 350 | 12xM20 |
| LXLCY-250W | 250 | 500 | 516 | 730 | 445 | 400 | 12xM20 |
| LXLCY-300W | 300 | 500 | 560 | 730 | 520 | 470 | 12xM21 |
| LXLCY-350W | 350 | 600 | 631 | 830 | 565 | 515 | 16xM24 |
| LXLCY-400W | 400 | 800 | 785 | 930 | 715 | 650 | 20xM30 |
| LXLCY-500W | 500 | 1000 | 865 | 1030 | 840 | 770 | 20xM33 |
| LXLCY-600W | 600 | 1000 | 865 | 1030 | 840 | 770 | 20xM33 |
| 序号 | 对比项目 | 光电直读远传水表 | NB-IoT无线远传水表 |
| 1 | 一次抄读成功率 | >99% | >98% |
| 2 | 机电转换方式 | 光电直读式 | 光电直读式或脉冲实时式 |
| 3 | 机电转换误差 | ≤1m3 | ≤1m3或≤1个最小转换分度值 |
| 4 | 供电方式 | 总线供电(直流电) | 锂电池供电(DC3.6V;8500mAh) |
| 5 | 电源使用时间 | 通过集中器供电,无限制 | 1天上传1次模式;约6年 |
| 6 | 静态电流 | <1mA | ≤4uA |
| 7 | 发射电流 | / | <250mA |
| 8 | 接收电流 | / | <80mA |
| 9 | 抄表瞬间电流 | <12mA | / |
| 10 | 组网方式 | 较复杂,下行通讯通过有线方式把数据传到集中器,上行通讯通过GPRS无线方式把集中器的数据传输到服务器。 | 简单,水表直接通过NB-IOT无线方式传输数据到服务器。 |
| 11 | 组网需配置设备 | 采集器和GPRS集中器 | 无设备 |
| 12 | 通讯距离或覆盖距离 | 下行通讯约300米;上行无限制。 | 城区约1~8km,郊区约25km; |
| 13 | 系统投用周期 | 较长,水表安装好后,需要现场施工布线、接线、调试。 | 短,水表安装好后,即可远程调试。 |
| 14 | 软件是否需要初始化 | 需要初始化。把用户的房号与水表表号一一对应输入抄表软件。 | 需要初始化。把用户的房号与水表表号一一对应输入抄表软件。 |
| 15 | 水表是否需要通信费 | 水表不需要,只是GPRS集中器需要。 | 每只水表都有一个NB物联网卡,需要通讯费,出厂时已预交6年的通讯费,到期需要续费。 |
| 16 | 环境等级 | B级 | B级 |
| 17 | 电磁环境 | E1级 | E1级 |
| 18 | 外壳防护等级 | IP68 | IP68 |
| 19 | 水表价格 | 较低 | 较高 |